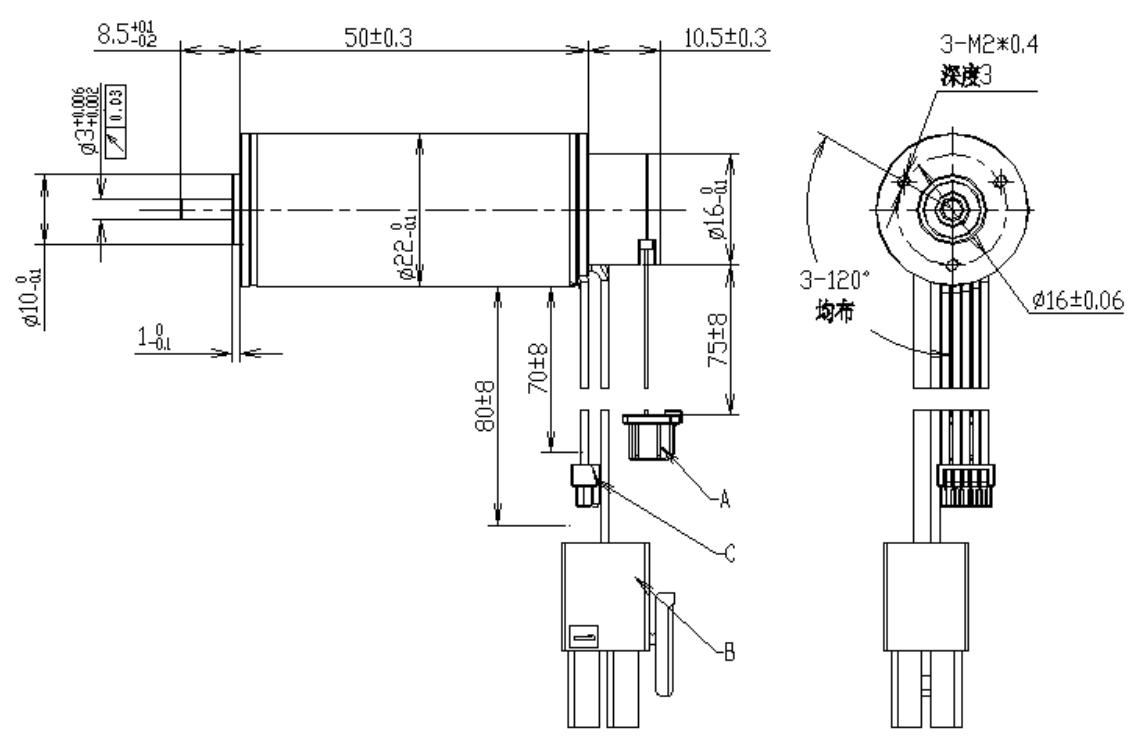
Φ22mm无刷空心杯电机(MC2250)
产品型号:MC2250
直径(mm):22
长度(mm):50
额定电压(V):24
额定转速(rpm):15600
堵转转矩(mNm):627
堵转电流(A) :47
转矩常数(mNm/A):13.7
速度常数(rpm/V) :699
输出轴直径(mm):3
电机参数
| 电机数据(额定值) | |||||
| 额定电压(V) | 24 | 28 | |||
| 空载转速(rpm) | 16700 | 14500 | |||
| 空载电流(A) | 0.38 | 0.25 | |||
| 额定转速 (rpm) | 15600 | 11000 | |||
| 额定转矩(mNm) | 41 | 80 | |||
| 额定电流(A) | 3.7 | 4 | |||
| 堵转转矩(mNm) | 627 | 456 | |||
| 堵转电流(A) | 47 | 25.4 | |||
| 最大效率(%) | 85.9 | 80.1 | |||
| 电机常数(额定值) | |||||
| 相间电阻(Ω) | 0.52 | 0.9 | |||
| 相间电感(mH) | 0.05 | 0.085 | |||
| 转矩常数(mNm/A) | 13.7 | 18.1 | |||
| 速度常数(rpm/V) | 699 | 526 | |||
| 转速/转矩斜度( rpm/mNm) | 26.6 | 32 | |||
| 机械时间常数(ms) | 1.3 | 1.49 | |||
| 转子惯量(gcm2) | 4.66 | 5.43 | |||
| 热参数 | |||||
| 机壳-环境热阻(K/W) | 11.6 | 11.6 | |||
| 绕组-机壳热阻(K/W) | 0.75 | 0.75 | |||
| 绕组热时间常数(s) | 4.72 | 4.72 | |||
| 电机热时间常数(s) | 940 | 940 | |||
| 环境温度(℃) | ?? -20…+100 | ?? -20…+100 | |||
| 最高绕组温度(℃) | 125 | 125 | |||
| 机械参数(滚珠轴承) | |||
| 最大允许转速(rpm) | 25 000 | ||
| 最大轴向间隙(mm) | < 3 N? 0 | ||
| ?12 N > 3 N??0.1(max) | |||
| 径向间隙 | ?preloaded | ||
| 最大轴向动态载荷(N) | 3.2 | ||
| 最大允许安静态装力(N) | 29 | ||
| 最大径向载荷,距离法兰处2mm处(N) | 15 | ||
| 端子型号 | |||
| CJT A1257HRE-5P? UL1571 AWG26 | |||
| CJT C6201HFB-2*2P UL1571 AWG22 | |||
| CJT C6201HFB-2X5P UL10064 AWG30 | |||
设计图纸

















查看详情


Φ22mm无刷空心杯电机(MC2250)规格书
